Резьба на гайке коленвала ВАЗ зависит от модели автомобиля и года выпуска. Различные модификации ВАЗ могут иметь разные типы резьбы, что важно учитывать при замене или регулировке гайки коленвала.
В следующих разделах статьи мы рассмотрим основные модели ВАЗ и соответствующие им типы резьбы на гайке коленвала. Также мы расскажем о способах определения типа резьбы и дадим рекомендации по правильной замене и регулировке гайки коленвала. Если вы хотите узнать больше о резьбе на гайке коленвала ВАЗ, продолжайте чтение статьи.

Что такое резьба на гайке коленвала ВАЗ?
Резьба на гайке коленвала ВАЗ – это специальный профиль, выполненный на гайке, которая крепит коленчатый вал двигателя автомобиля ВАЗ. Резьба на гайке коленвала ВАЗ имеет определенные размеры и характеристики, которые необходимо учитывать при ее замене или регулировке.
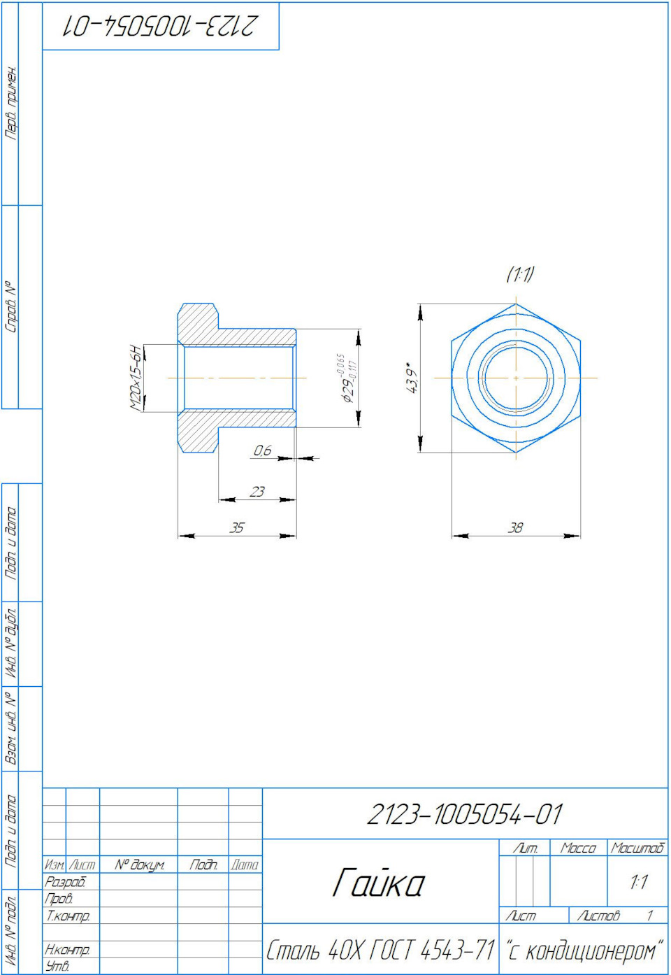
Резьба на гайке коленвала ВАЗ является метрической резьбой, то есть ее параметры измеряются в метрической системе с использованием метрического шага. Резьба имеет определенный диаметр и шаг, которые указываются в миллиметрах.
Характеристики резьбы на гайке коленвала ВАЗ
Резьба на гайке коленвала ВАЗ имеет следующие характеристики:
- Диаметр резьбы: указывается в миллиметрах и обозначается символом "d". Например, резьба на гайке коленвала ВАЗ может иметь диаметр 20 мм.
- Шаг резьбы: указывается в миллиметрах и обозначается символом "P". Например, резьба на гайке коленвала ВАЗ может иметь шаг 1,5 мм.
- Наружный диаметр гайки: указывается в миллиметрах и обозначается символом "D". Например, наружный диаметр гайки коленвала ВАЗ может быть равен 25 мм.
- Высота гайки: указывается в миллиметрах и обозначается символом "H". Например, высота гайки коленвала ВАЗ может составлять 15 мм.
Применение резьбы на гайке коленвала ВАЗ
Резьба на гайке коленвала ВАЗ используется для крепления коленчатого вала двигателя автомобиля ВАЗ. Коленвал является одной из самых важных деталей двигателя, поэтому гайка, которая его крепит, должна быть надежной и обеспечивать надлежащую фиксацию коленвала.
Резьба на гайке коленвала ВАЗ позволяет достичь необходимой степени затяжки и предотвратить самопроизвольное откручивание гайки при работе двигателя. Правильное затяжение гайки коленвала ВАЗ согласно рекомендациям производителя является важным условием для надежной работы двигателя и предотвращения возможных поломок.
Определение резьбы на гайке коленвала ВАЗ
Определение резьбы на гайке коленвала ВАЗ является важным для технического обслуживания и ремонта автомобилей этого бренда. Знание резьбы позволяет правильно подобрать инструменты и запчасти, а также обеспечить надежное и безопасное крепление гайки коленвала.
Резьба на гайке коленвала ВАЗ имеет следующие параметры:
- Диаметр резьбы (D) — это расстояние между противоположными точками на наружной поверхности резьбы. Диаметр резьбы определяется путем измерения наружного диаметра гайки коленвала.
- Шаг резьбы (P) — это расстояние между соседними витками резьбы. Шаг резьбы измеряется в миллиметрах и определяется путем измерения расстояния между двумя соседними витками на гайке коленвала.
- Количество витков (n) — это количество полных оборотов резьбы на гайке коленвала.
Для определения резьбы на гайке коленвала ВАЗ можно использовать следующий алгоритм:
- Очистите поверхность гайки коленвала от грязи и старой смазки.
- Используя штангенциркуль или микрометр, измерьте наружный диаметр гайки коленвала. Запишите полученное значение.
- Используя линейку или штангенциркуль, измерьте расстояние между двумя соседними витками резьбы на гайке коленвала. Запишите полученное значение.
- Определите количество полных оборотов резьбы на гайке коленвала, считая количество витков от начала резьбы до конца.
Полученные значения диаметра резьбы (D), шага резьбы (P) и количества витков (n) позволят определить резьбу на гайке коленвала ВАЗ согласно стандартным таблицам резьбы.
Важно отметить, что резьба на гайке коленвала ВАЗ может различаться в зависимости от модели и года выпуска автомобиля. Поэтому при подборе запчастей и инструментов необходимо обращаться к официальным справочникам или консультироваться с квалифицированными специалистами.
Как определить резьбу на гайке коленвала ВАЗ?
Определение резьбы на гайке коленвала ВАЗ является важным шагом при замене или регулировке данной детали. Знание правильной резьбы поможет вам подобрать нужные инструменты и избежать проблем при работе с коленвалом.
Для определения резьбы на гайке коленвала ВАЗ, следуйте следующим шагам:
- Подготовьте необходимые инструменты: линейку или измерительный инструмент с миллиметровой шкалой, штангенциркуль или штангенмер.
- Очистите поверхность гайки коленвала от грязи и масла, чтобы обеспечить точные измерения.
- Расположите измерительный инструмент параллельно резьбе гайки.
- Измерьте диаметр резьбы гайки коленвала при помощи линейки или штангенциркуля.
- Определите шаг резьбы, измерив расстояние между двумя соседними витками резьбы. Шаг резьбы обычно измеряется в миллиметрах.
Полученные значения диаметра и шага резьбы помогут вам определить правильную резьбу на гайке коленвала ВАЗ. Возможные варианты резьбы на гайке коленвала ВАЗ могут быть: М12х1,25, М12х1,5, М14х1,5 и т. д. ВАЗовские автомобили обычно используют метрическую резьбу.
Если вы не уверены в правильности определения резьбы на гайке коленвала ВАЗ, рекомендуется обратиться к специалисту или к руководству по эксплуатации вашего автомобиля для получения точной информации.

Как измерить резьбу на гайке коленвала ВАЗ?
Измерение резьбы на гайке коленвала ВАЗ является важным этапом при работе с данным узлом двигателя. Это позволяет определить размер резьбы и правильно подобрать гайку для замены или ремонта. Для измерения резьбы на гайке коленвала ВАЗ, следуйте указанным ниже шагам:
Шаг 1: Подготовка инструментов
Перед началом измерений необходимо подготовить следующие инструменты:
- Штангенциркуль или микрометр;
- Набор шаблонов резьбы.
Шаг 2: Подготовка гайки и коленвала
Прежде чем измерять резьбу на гайке коленвала ВАЗ, убедитесь, что гайка и коленвал находятся в чистом и неповрежденном состоянии. Очистите поверхности от грязи и масла, чтобы получить точные измерения.
Шаг 3: Измерение диаметра и шага резьбы
Измерьте диаметр резьбы на гайке с помощью штангенциркуля или микрометра. Установите инструмент на наиболее удаленные точки наружных резьб гайки и снимите показания. Повторите измерения несколько раз и найдите среднее значение.
Далее, с помощью набора шаблонов резьбы, определите шаг резьбы на гайке. Попробуйте вставить различные шаблоны в резьбу гайки и выберите тот, который наиболее плотно и точно подходит. Как только найден подходящий шаблон, проверьте его маркировку, чтобы определить шаг резьбы.
Шаг 4: Запись результатов
После измерения диаметра и шага резьбы на гайке коленвала ВАЗ, запишите полученные значения. Это позволит вам правильно подобрать гайку для замены или ремонта.
Измерение резьбы на гайке коленвала ВАЗ является важным этапом при работе с данной деталью двигателя. Следуя указанным выше шагам, новичок сможет правильно измерить резьбу и выбрать подходящую гайку для своего автомобиля ВАЗ.
Инструменты для измерения резьбы на гайке коленвала ВАЗ
Измерение резьбы на гайке коленвала ВАЗ является важной задачей при работе с данным автомобилем. Для этого существуют специальные инструменты, которые позволяют определить характеристики резьбы и гарантировать правильную установку гайки на коленвал.
1. Шаблон для измерения шага резьбы
Одним из основных инструментов для измерения резьбы на гайке коленвала является шаблон для измерения шага резьбы. Этот инструмент представляет собой полоску металла или пластика, на которой нанесены различные размеры шагов резьбы. Для измерения шага резьбы гайки коленвала необходимо подобрать на шаблоне соответствующую полоску и приложить её к резьбе гайки. Если полоска шаблона вписывается в резьбу без зазоров или перекрытий, то это означает, что шаг резьбы гайки правильный.
2. Резьбомер
Другим удобным инструментом для измерения резьбы на гайке коленвала является резьбомер. Это специальное устройство, состоящее из винта с микрометрическими шкалами и набора измерительных контактов. Резьбомер позволяет определить шаг резьбы, диаметр резьбы и угол наклона резьбы. Для измерения резьбы гайки коленвала необходимо ввести измерительный контакт резьбомера в резьбу гайки и с помощью винта сдвинуть контакт до полного попадания в резьбу. Затем, считывая показания на шкале, можно определить характеристики резьбы.
3. Микрометр
Микрометр также может быть использован для измерения резьбы на гайке коленвала. Этот инструмент позволяет измерить диаметр резьбы с большой точностью. Для измерения резьбы гайки коленвала необходимо приложить микрометр к наружной поверхности резьбы и с помощью винта микрометра сдвинуть его до полного контакта с резьбой. Затем, считывая показания на шкале, можно определить диаметр резьбы.
4. Специализированные инструменты
Кроме указанных инструментов, существуют и другие специализированные инструменты для измерения резьбы на гайке коленвала ВАЗ, такие как резьбовые плашки, резьбовые калибры и др. Использование этих инструментов позволяет гарантировать точное измерение резьбы и обеспечить правильную установку гайки на коленвал.

Порядок измерения резьбы на гайке коленвала ВАЗ
Измерение резьбы на гайке коленвала ВАЗ является важной процедурой при работе с двигателем данного автомобиля. Правильное измерение поможет определить необходимость замены гайки и подобрать ее замену с соответствующими параметрами.
Для измерения резьбы на гайке коленвала ВАЗ следует выполнить следующие шаги:
- Очистите поверхность гайки от грязи и масла, чтобы получить точные измерения.
- Используйте микрометр или линейку с миллиметровой шкалой для измерения диаметра гайки. Убедитесь, что измерение производится в наиболее широкой части резьбы.
- Сравните полученные данные с указанными в технической документации производителя. Если измеренный диаметр отличается от допустимых значений, гайку следует заменить.
Измерение резьбы на гайке коленвала ВАЗ является довольно простой процедурой, но требует аккуратности и внимания. Если у вас нет опыта в проведении таких измерений, рекомендуется обратиться к квалифицированному специалисту, который сможет выполнить эту процедуру правильно и без ошибок.
Какая резьба на гайке коленвала у разных моделей ВАЗ?
Коленвал является одной из ключевых деталей двигателя автомобиля. Гайка коленвала предназначена для крепления коленчатого вала и обеспечения его надежной работы. Резьба на гайке коленвала у разных моделей ВАЗ может отличаться, и важно знать соответствующие параметры для правильной установки и замены данной детали.
ВАЗ-2101, ВАЗ-2103, ВАЗ-2106:
У этих моделей автомобилей резьба на гайке коленвала имеет следующие характеристики:
- Шаг резьбы: 1,25 мм
- Диаметр резьбы: 20 мм
ВАЗ-2108, ВАЗ-2109, ВАЗ-2110:
Для данных моделей ВАЗ резьба на гайке коленвала имеет следующие параметры:
- Шаг резьбы: 1,5 мм
- Диаметр резьбы: 20 мм
ВАЗ-2112, ВАЗ-2113, ВАЗ-2114:
У этих моделей автомобилей резьба на гайке коленвала имеет следующие характеристики:
- Шаг резьбы: 1,5 мм
- Диаметр резьбы: 22 мм
ВАЗ-2115, ВАЗ-2121 (Нива):
Для данных моделей ВАЗ резьба на гайке коленвала имеет следующие параметры:
- Шаг резьбы: 1,75 мм
- Диаметр резьбы: 22 мм
Знание резьбы на гайке коленвала важно при замене данной детали или при проведении ремонта двигателя. Правильная установка гайки с соответствующими параметрами гарантирует надежную работу коленвала и увеличивает срок его службы.
Резьба на гайке коленвала у ВАЗ-2101
Коленвал является одной из ключевых деталей двигателя автомобиля. Он отвечает за передачу крутящего момента от поршней к системе привода. Гайка коленвала, в свою очередь, используется для надежной фиксации коленчатого вала в определенном положении.
ВАЗ-2101, также известный как "Жигули", был первым серийно выпускаемым автомобилем отечественного производства. Резьба на гайке коленвала этой модели имеет особенности, которые стоит учитывать при замене или ремонте.
Размер и параметры резьбы
Резьба на гайке коленвала ВАЗ-2101 имеет следующие параметры:
- Тип резьбы: метрическая
- Диаметр: 20 мм
- Шаг резьбы: 1,5 мм
- Количество зубьев: 18
Такие параметры резьбы определены производителем автомобиля и должны соблюдаться при замене гайки коленвала. Это важно для обеспечения правильной работы двигателя и предотвращения его поломок.
Применение специального инструмента
При замене гайки коленвала на ВАЗ-2101 рекомендуется использовать специальный инструмент – ключ с удлинителем и шестигранной головкой. Он позволяет легко и надежно закрутить гайку с необходимым усилием.
Для выбора правильного ключа следует учитывать размер гайки и шестигранниковых отверстий на нем. Также важно следить за состоянием инструмента и заменять его при необходимости, чтобы избежать повреждения гайки или коленвала.
Важность правильной установки гайки
Правильная установка гайки коленвала на ВАЗ-2101 имеет большое значение для надежности работы двигателя. Гайка должна быть надежно закручена с необходимым усилием, чтобы предотвратить ее самопроизвольное разрушение или откручивание в процессе эксплуатации.
При установке гайки необходимо также учитывать требования по затяжке, указанные в технической документации или руководстве по эксплуатации автомобиля. Это поможет избежать перетягивания или недостаточной затяжки гайки и обеспечить оптимальную работу двигателя.
Таким образом, резьба на гайке коленвала ВАЗ-2101 имеет свои особенности, которые следует учитывать при замене или ремонте. Правильная установка гайки с помощью специального инструмента и соблюдение указанных параметров резьбы являются важными моментами для обеспечения надежной работы двигателя и долговечности автомобиля.
